-
-
-
Tổng tiền thanh toán:
-
Loadcell IL Keli là dòng cảm biến lực dạng thanh, thiết kế đa dạng kích thước, tải trọng cân, ứng dụng phổ biến trong cân bàn, cân sàn, cân đóng bao, cân trạm trộn bê tông...
MÔ TẢ SẢN PHẨM
CHẾ ĐỘ BẢO HÀNH
ĐÁNH GIÁ TỪ KHÁCH HÀNG
Loadcell IL Keli là dòng cảm biến lực dạng thanh có khả năng chịu tải từ 50kg đến 2 tấn. Thiết kế chuyên dùng cho các ứng dụng cân đóng bao, cân trạm trộn bê tông, cân bàn, cân sàn...

Phân phối loadcell IL chính hãng Keli.
Dưới đây là thông tin chi tiết về sản phẩm, quý khách quan tâm và có nhu cầu đặt hàng, nhận báo giá, vui lòng liên hệ hotline: 0927.966.866
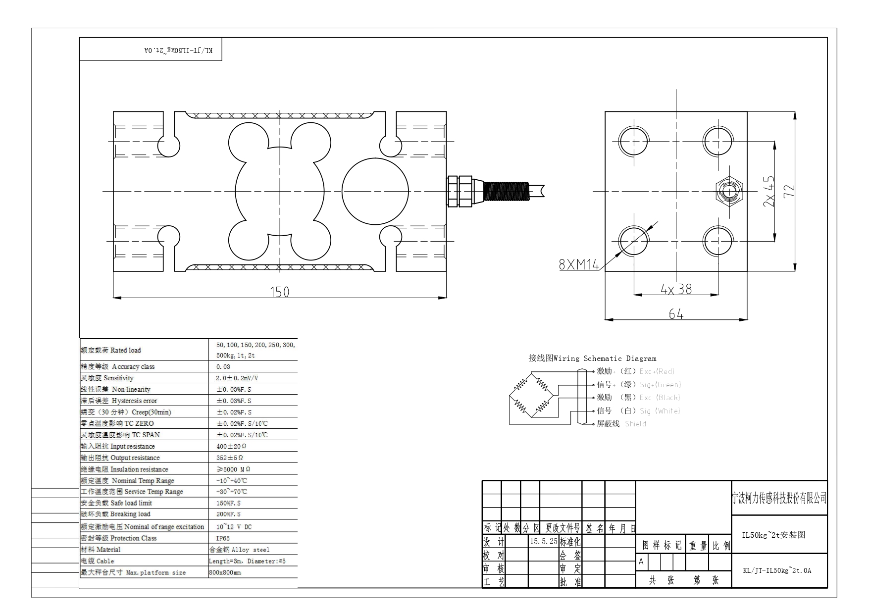
| Loại cảm biến | Dạng thanh (shear beam) |
| Chất liệu | Hợp kim thép mạ niken |
| Ứng dụng | Cân bàn, cân sàn, cân đóng bao... |
| Model | IL |
| Công suất định mức | 50, 100, 150, 200, 250, 300, 500kg, 1t, 2t |
| Cấp chính xác | 0.03 |
| Độ phân giải | 2.0± 0.2mV/V |
| Dải không tuyến tính | ± 0.03%F.S |
| Độ trễ sai số | ± 0.03%F.S |
| Điện trở đầu vào | 400 ± 20Ω |
| Điện trở đầu ra | 352 ± 5Ω |
| Điện trở cách điện | ≥ 5000 MΩ |
| Nhiệt độ | (-10˚C ) đến (+40˚C) |
| Nhiệt độ hoạt động | (-30˚C ) đến (+70˚C) |
| Quá tải an toàn | 150%F.S |
| Quá tải phá hủy | 200%F.S |
| Điện áp kích thích | 10~20V DC |
| Cấp bảo vệ | IP65 |
| Dây dẫn | Dài 3m, đường kính 5mm |
| Nhà sản xuất | Keli (Trung Quốc) |
| Nhà phân phối | Tân Phát (Việt Nam) |
| Bảo hành | 12 tháng |
XEM THÊM:
- Loadcell IL 250kg
- Loadcell Keli

Loadcell IL Keli thiết kế nhỏ gọn dễ lắp đặt.

Cảm biến lực IL được chế tạo từ hợp kim thép mạ nikel với khả năng chống nước, chống oxy hóa cao

Loadcell Keli IL có độ nhạy vượt trội cung cấp kết quả chuẩn xác trong thời gian ngắn.

Bản vẽ cơ khí load cell IL Keli ( Catalogue loadcell IL Keli)
Dưới đây là quy ước về màu dây đấu nối Loadcell IL Keli:
Ngoài cung cấp các dòng cân điện tử giá tốt, chất lượng cao, Tân Phát còn là đơn vị nhập khẩu và phân phối các sản phẩm thiết bị cân do chính hãng Keli (Trung Quốc) sản xuất.
Trong đó phải kể đến các dòng Loadcell IL Keli với cam kết:
Quý khách có nhu cầu đặt hàng hoặc cần tư vấn kỹ thuật chi tiết, vui lòng liên hệ trực tiếp chúng tôi qua HOTLINE: 0927.966.866 hoặc bảng này để được hỗ trợ sớm nhất.
CÔNG TY CỔ PHẦN CÔNG NGHỆ TỰ ĐỘNG TÂN PHÁT