-
-
-
Tổng tiền thanh toán:
-
Thông số kỹ thuật loadcell VLC 110 - Model: VLC-A110 - Hãng sản xuất: VMC - Nơi sản xuất: USA - Bảo hành: 12 tháng....
MÔ TẢ SẢN PHẨM
CHẾ ĐỘ BẢO HÀNH
ĐÁNH GIÁ TỪ KHÁCH HÀNG
Sở hữu khả năng chịu tải trọng cao (lên đến 10.000kg) cùng thiết kế dạng cảm biến lực hình chữ "S" dễ lắp đặt. Loadcell VLC-110 thường được ứng dụng chủ yếu trong các loại cân công nghiệp như cân treo - cân móc cẩu, cân định lượng, cân đóng bao....
| Model | VLC-110 |
| Mức cân | 50 - 10.000 (kg) |
| Độ phân giải | 2.95 - 3.05 (mV/V) |
| Điện trở đầu vào | 385 ± 15 (Ω) |
| Điện trở đầu ra | 350 ± 3 (Ω) |
| Điện trở cách điện | ≥ 2000 (MΩ) |
| Quá tải an toàn | 150 (% F.S) |
| Quá tải phá hủy | 300 (% F.S) |
| Nguồn điện cấp | 10 (VDC/AC) |
| Nguồn điện cấp max | 15 (VDC/AC) |
| Cấp bảo vệ | IP67 |

Hình ảnh: Trọn bộ loadcell vlc 110 chính hãng vmc

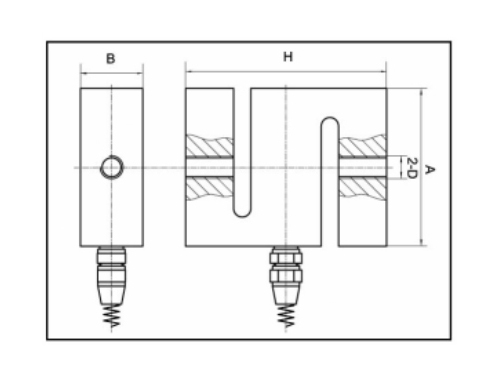
Hình ảnh: Bản vẽ cơ khí loadcell VMC VLC-110

Hình ảnh: Loadcell VLC-110 VMC sau khi lắp đặt hoàn thiện
Hiện nay trên thị trường có rất nhiều công ty cung cấp loadcell vlc-110 chất lượng nhưng giá không rẻ bởi nhập khẩu gián tiếp qua các đơn vị trung gian.
Nên để mua loadcell vmc vlc 110 giá rẻ mà vẫn được đảm bảo cam kết chất lượng với chính sách 1 đổi 1 nếu sản phẩm lỗi do nhà sản xuất cùng bảo hành 12 tháng.
Quý khách hãy liên hệ sớm đến địa chỉ:
CÔNG TY CỔ PHẦN CÔNG NGHỆ TỰ ĐỘNG TÂN PHÁT
Hotline: 0927.966.866
Email: Candientu88@gmail.com
Địa chỉ: VT32, LK4, KĐT Đại Thanh, Tả Thanh Oai, Hà Nội